от 816 ₽
Нашли дешевле?
Наличие уточняйте у наших менеджеров
Цены
Кронштейн КМ-1 (Zn)
1 339 ₽
/шт Кронштейн КМ-1 (эмаль)
816 ₽
/шт
Описание
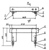
Кронштейн КМ-1 предназначен для установки кабельной муфты соответствующего типа. Для крепления кронштейнов на стойках опор воздушных ЛЭП при длине до 13 м необходимы хомуты серий Х-7 и Х-37. Поставка хомутов осуществляется по отдельному заказу.
Спецификация кронштейна КМ-1:
| ПОЗИЦИЯ | НАИМЕНОВАНИЕ ДЕТАЛИ | КОЛИЧЕСТВО | МАССА, КГ |
| 1 | Уголок 50х50х5 ГОСТ8509-86 | 1 | 2,7 |
| 2 | Уголок 50х50х5 ГОСТ8509-86 | 2 | |
| 3 | Круг 12 ГОСТ2590-71 | 2 | |
| 4 | Гайка М12 ГОСТ5915-70 | 3 | |
| 5 | Шайба 12 ГОСТ11371-78 | 3 |
